Печка слабо нагревает воздух
Причин этому может быть несколько, но сначала проверьте поступает ли горячая ОЖ к отопителю.
Проверяем работоспособность печки
Заводим и прогреваем двигатель. Включаем режим скорости – 2 или 3. Находим два патрубка (под торпедой со стороны пассажира). Правый – подает горячий антифриз, он заходит в радиатор снизу. Левый – отводящий, он должен быть не таким горячим, как первый.
Если отводящий патрубок теплый или холодный, при этому входной горячий, значит радиатор забит или в нем воздушная пробка.
Также включите режим рециркуляции и убедитесь, что дует горячий воздух. На этом режиме он должен нагреваться очень быстро.
Воздушная пробка
Частая ситуация после замены ОЖ или при низком ее уровне. Для диагностики проблемы при прогретом моторе пощупайте патрубки системы охлаждения и найдите холодный участок (относительно других).
Необходимо выгнать воздух. Один из способов – приподнять «морду» машины, так, чтобы заливная горловина системы охлаждения была значительно выше радиатора печки (к примеру, загнать на горку, эстакаду) и дать поработать двигателю на холостых 5-10 минут, периодически газуя, чтобы помпа быстрей прокачивала тосол.
Низкий уровень антифриза в системе
Это хорошо определяется, когда на высоких оборотах печка греет хорошо, а при низких – плохо. Т.е. на высокой скорости помпа прокачивает достаточно антифриза, а на малых оборотах ОЖ не хватает для прогрева радиатора отопителя.
Приоткрыта или полностью открыта заслонка регулятора температуры воздуха
Заслонка приводится в движение тросиком, который мог растянутся или соскочить с пазов. Если она приоткрыта, то происходит смешивание горячего и холодного воздуха, он становится слегка теплым.
Для диагностики – подвигайте рычажком заслонки, который находится внизу в районе коленей сидящего слева от водителя пассажира. Убедитесь, что тросик не растянут и целый, находится в правильном положении.
Также проверьте шуруп, которым крепиться кожух тросика, в результате его ослабления кожух смещается и появляется люфт, что и приводит к неполному закрыванию заслонки. Подвиньте кожух в сторону салона и затяните шуруп.
Так же может быть частично или полностью забит радиатор отеплителя. Как его почистить читайте в следующем разделе.
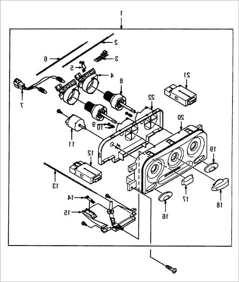
Как снять радиатор печки?
Опровергнем ошибочное мнение касаемо того, чтобы добраться до радиатора печки Дэу Нексия, необходимо полностью разобрать торпедо и снимать руль. Теплообменник находится в корпусе отопителя, соответственно, добравшись до него, можно извлечь неисправный радиатор для его замены.
Для выполнения этой процедуры необходимо убрать напольную консоль, которая закрывает печку на Дэу Нексия, далее необходимо перейти к моторному отсеку для того, чтобы отсоединить патрубок отопителя. Теперь сливаем тосол из системы охлаждения, и возвращаемся обратно в салон. Отсоединяем провод «масса» от моторчика печки и снимаем нижний переходник её воздуховода, предварительно послабив хомут. После этой процедуры открывается корпус отопителя, который необходимо извлечь. Он состоит из двух половинок, скреплённых между собой металлическими скобами. После разборки корпуса можно достать теплообменник, после чего выполняется установка нового элемента, и осуществляется сборка отопителя в обратной последовательности.
Daewoo Nexia & | Характерные неисправности в системе охлаждения двигателя & | Дэу Нексия

Давление в системе охлаждения
https://youtube.com/watch?v=BsmoXvI89p8
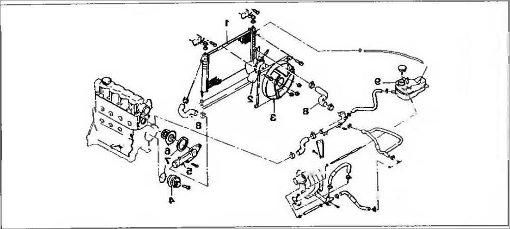
Нижний патрубок бачка соединяется наливным шлангом с подводящей трубой насоса. Радиатор системы охлаждения состоит из двух вертикально расположенных пластмассовых бачков, соединенных алюминиевыми трубками с охлаждающими пластинами, расположенными в один ряд. На двигателе F16D3 жидкость поступает к насосу через подводящую трубу, расположенную на задней стенке блока цилиндров под впускным трубопроводом.

Негерметичность выпускного клапана приводит к снижению температуры закипания охлаждающей жидкости, а его заклинивание в закрытом состоянии приводит к аварийному повышению давления в системе охлаждения, что может вызвать повреждение радиатора и шлангов. По мере остывания двигателя жидкость из бачка перетекает в систему дэу нексия неисправности системы охлаждения. На его стенки нанесены метки «МАХ» и «MIN» для контроля уровня охлаждающей жидкости, сверху расположена наливная горловина, герметично закрытая пластмассовой пробкой, с двумя клапанами внутри впускным и выпускнымсобранными в едином блоке.
Система охлаждения двигателя F16D3: Выпускной клапан поддерживает повышенное, по сравнению с атмосферным, давление в системе на горячем двигателе. За счет этого повышается температура кипения жидкости и уменьшаются паровые потери.
Впускной клапан открывается при понижении давления в системе на остывающем двигателе. При этом уровень охлаждающей жидкости в расширительном бачке снижается.
Циркуляцию жидкости в системе охлаждения обеспечивает насос охлаждающей жидкости. Насос охлаждающей жидкости — лопастной, центробежного типа, приводится зубчатым ремнем привода ГРМ. Состоит из корпуса с крыльчаткой и зубчатого шкива.

На двигателе F16D3 жидкость поступает к насосу через подводящую трубу, расположенную на задней стенке блока цилиндров под впускным трубопроводом. Из насоса жидкость под давлением подается в рубашку охлаждения двигателя, а оттуда к патрубку головки блока цилиндров, на котором установлен термостат.
Термостат способствует ускорению прогрева двигателя, автоматическому поддержанию его теплового режима в заданных пределах и регулирует количество жидкости, проходящей через радиатор.
деу нексия не включается вентилятор охлаждения
https://youtube.com/watch?v=ntXdTq_E5x4
Узлы системы охлаждения двигателя A15SMS вид двигателя сзади: При этом вся жидкость циркулирует по рубашке охлаждения двигателя. Часть жидкости из рубашки охлаждения по шлангу, подсоединенному к патрубку головки блока, поступает в радиатор отопителя, а затем возвращается к насосу. В блок подогрева дроссельного узла жидкость поступает через шланг, подсоединенный к штуцеру корпуса термостата, а оттуда — в расширительный бачок и затем возвращается к насосу.
В этом случае жидкость циркулирует по малому кругу. На двигателе A15SMS жидкость поступает к насосу через подводящую трубу, расположенную на задней стенке блока цилиндров под впускным трубопроводом.

Из насоса жидкость под давлением подается в рубашку охлаждения двигателя, а оттуда — к выпускному патрубку головки блока цилиндров, под которым находится термостат. На непрогретом двигателе клапан термостата закрыт и перекрывает выпускной патрубок, ведущий к радиатору системы охлаждения. При охлаждении жидкости ее объем уменьшается и в системе создается разрежение. Исправность клапанов пробки очень важна для нормальной работы системы охлаждения, но часто при возникновении проблем закипание охлаждающей жидкости и т.
Замена радиатора отопителя на автомобиле «Дэу Нексия»
Как уже упоминалось выше, печной радиатор на «Нексии» может засориться. Помимо этого, он иногда начинает подтекать. Это происходит тогда, когда его центральные трубки окончательно разрушит коррозия, возникшая из-за использования плохого антифриза. Поскольку штатный печной радиатор на «Дэу Нексии» сделан из алюминия, запаять его без специального оборудования не представляется возможным. Так что у автовладельца остаётся только один выход: замена узла.
Последовательность замены отопительного радиатора
Чтобы выполнить работы качественно, придерживайтесь проверенного алгоритма:
- С автомобиля сливается вся охлаждающая жидкость. На полный слив требуется 8–10 минут, так что торопиться нельзя.
-
Далее с радиатора снимаются патрубки. Они держатся на стальных хомутах, для ослабления которых следует использовать плоскую отвёртку.
-
После снятия патрубков трубки радиатора необходимо чем-нибудь заткнуть, чтобы остатки антифриза не вытекли на пол. Лучше всего это сделать с помощью кусков ветоши.
-
Далее ослабляются стальные крепёжные хомуты, удерживающие кожух печного радиатора. После этого фиксаторы кожуха отгибаются вручную, и радиатор извлекается через моторный отсек.
- Неисправный радиатор заменяется новым, после чего производится обратная сборка отопительной системы.
Не включается вентилятор.
не включается вентилятор после замены радиатора отопителя ( в сервисе, блин). что может быть? если термостат, то где он стоит? 8 клапанов, 10го года. подскажите пожалуйста что сделать. езжу с печкой, чтобы не кипеть.
Хрен поймёшь сразу о чём речь. Вентилятор радиатора может зимой срабатывать только в крутой пробке и это нормально. А при включёной печке может не срабатывать вовсе.
Движок реально перегревается или это ваши страхи бузят??
сегодня открыл капот, выключил печку, подождал минут 5-8, подгазовал, бачек закипел. датчик показывает рабочую температуру. вентилятор так и не включился.
причем сегодня на улице было +2.
Что значит “бачок закипел”, если датчик не показывает перегрева??
Просто выгоняет воздух из системы. Удалите воздух как следует и не нагоняйте себе страхов.
так блин, может вы и правы. сколько в системе должно быть антифриза? после промывки и замены радиатора отопителя залили только 5 литров, по мере “выкипания” я еще половину примерно влил. так и должно быть? как воздух удалить? спасибо.
Ставим машину в горку (перед выше чем зад), активируем ручник, заводим. Открываем капот, снимаем крышку с расширительного бачка. Доливаем антифриз выше уровня. Поднимаем обороты до 2500, по возможности проминаем рукой патрубки. Следим за уровнем в бачке, доливаем. Творим сии действа до тех пор, пока уровень в бачке не перестанет падать.
вентилятор все равно не включается. снял фишку с датчика температуры, заработал, поменял датчик та же история. машина кипит.
Это говорит о том, что вся электрика системы в норме, но нет нормальной циркуляции. Воздух из системы охл. Нексии довольно трудно удаляется и она легко завоздушивается.
Ведь до поездки к сервисменам проблем с температурным режимом самого движка не было??
Процесс замены
В автосервисе замена водяного насоса обойдется 15-25 у.е. Ремонтировать помпу нет необходимости. Даже если бы это и было возможно, рабочий ресурс детали был бы настолько низким, что уже через несколько недель активной эксплуатации проблема снова возникла.
Схема подключения водяного насоса.
Приступим непосредственно к самой замене:
- Снимаем крышку АКБ и отсоединяем клемму.
Демонтируем воздушный фильтр.
Откройте капот и отвёрткой ослабьте 4 хомута на патрубках подачи воздуха и вентиляции картера. Снимите шланги, открутите 3 болта крепления корпуса воздушного фильтра (ключ 10 мм) и демонтируйте его, отсоединив разъём температурного датчика.
Снимаем верхнюю крышку ДВС.
Выверните 4 болта, прижимающих задний пластиковый кожух к блоку цилиндров. Два из них расположены сверху, ещё 2 — снизу. Отведите левую сторону кожуха на себя до упора и примотайте тонкой проволокой к лонжерону. Подставьте под помпу ёмкость и ослабляйте 3 винта её крепления шестигранником, пока не потечёт антифриз.
Снимаем крышку ГРМ.
Когда водяная рубашка двигателя опорожнится, выворачивайте винты окончательно и вытаскивайте помпу.
Снимаем ремень ГРМ.
Произведите дальнейшую сборку газораспределительного механизма в обратном порядке.
В конструкцию газораспределительного механизма на моторах с 16 клапанами добавлена шестерня второго распределительного вала и правый опорный ролик, который при разборке придётся снять. В остальном устройство идентично, а помпа находится на прежнем месте — с левой стороны ГРМ, под натяжным роликом. Соответственно, процесс замены выполняется в аналогичной последовательности.
- Удаляем остатки старой прокладки.
- Устанавливаем новую прокладку.
- Ставим помпу и собирает всё в обратном порядке.
Причины попадания в охладительную систему воздуха
Как сделать ремонт печки своими руками на Дэу Нексия? Для того чтобы понять, по каким причинам в печку может попасть воздух, следует произвести несколько последовательных действий.
- Надо аккуратным образом снять крышку, которая устанавливается на расширительном бачке охладительной системы.
- Теперь следует слегка поддать газа на автомобиле.
- В такой ситуации с патрубка обратного типа дроссельной заслонки начинает поступать в бачок антифриз. Специалисты ещё называют это эффектом водопада. При этом жидкость попадает в бачок с большой высоты, и когда она соприкасается с поверхностью самого антифриза, то образуются воздушные пузырьки. Далее они оказываются в охладительной системе, что и приводит к завоздушиванию.

Готовимся к замене и подбираем инструмент
На Нексиях N100 и N150 радиаторы отопителя разные по объёму и толщине, но взаимозаменяемые при желании. Размеры такие:
- N100 — 182x141x51 ;
- N150 — 180×138,5×26 .
Радиаторы различаются толщиной и способом закрепления, но каждый можно поставить вместо другого.
Технология замены на обеих версиях идентична, поэтому на этом не станем заострять внимание. Для работы особо сложного инструмента не потребуется — набор отвёрток и головка на 7, желательно с трещоткой, удлинителем и карданом
В первую очередь, определимся с местом проведения работ, удобнее, если будет доступ к машине снизу. Это или подъёмник, или смотровая яма. Для начала снимаем защиту с двигателя и сливаем антифриз в чистую ёмкость. Отключаем минусовую клемму АКБ, поскольку придётся отключать электрические разъемы и приступаем к работе.
Алгоритм снятия радиатора
Теоретически снять радиатор совсем не сложно. Но каждая мелочь способна часами выкручивать руки. К этому надо быть готовым. Берём волю в кулак и начинаем работать:
- Работу начнём из салона с демонтажа центральной консоли. Снимаем руками декоративную рамку магнитолы, управления печкой и полки.
Начинаем разбирать центральную консоль с декоративных рамок.
Убираем рамку КПП.
Вытаскиваем магнитолу, отсоединяем провода.
Вытаскиваем блок управления печкой.
Снимаем металлический каркас.
Здесь придется помучится и посбивать пальцы – шланги скорее всего прикипели, а к нажимным хомутам не подлезешь пассатижами.
Устанавливаем новый радиатор и собираем обратно центральную консоль.
Как поменять антифриз своими руками?
Теперь остановимся на вопросе смены . Заменить его можно при помощи специалистов, но мы рассмотрим самостоятельный процесс.
Подготовка
Для выполнения задачи вам потребуются:
- плоскогубцы;
- тряпки;
- емкость, куда вы будете собирать отработанный антифриз (к примеру, это может быть старое ведро, тазик или обрезанная бутылка).
Этапы работы
Чтобы произвести замену антифриза, нужно выполнить несколько этапов:
- Слить использованную жидкость.
- Промыть систему.
- Залить новую ОЖ.
Как слить?
Сначала сливаем хладагент с блока двигателя:
- Транспортное средство загоняется в гараж с ямой либо на эстакаду. Чтобы максимально слить хладагент из системы, мотор автомобиля следует прогреть. Это позволит открыться клапану термостата. Для обеспечения максимального удаления хладагента из системы левую часть кузова транспортного средства следует поставить на домкрат в районе переднего колеса.
- Откройте капот и открутите пробку расширительного резервуара.
- Залезьте под днище автомобиля и произведите демонтаж защиты картера, открутив гаечными ключами болты его фиксации.
- После того как мотор немного остынет (но не станет полностью холодным), откройте кран печки. Из него может выйти часть антифриза, поэтому заранее подставьте под него емкость.
- Выкрутите пробку слива, она располагается на радиаторе. Под сливное отверстие, которое находится снизу радиаторного устройства, с правой стороны, подставьте подготовленную емкость для сбора «отработки». Расположена она не самым удобным образом. При открытии струя охлаждающей жидкости брызнет на балку кузова и будет стекать на землю по ней. Если вы меняли радиаторное устройство, то на нем может не быть крана. Тогда придется отсоединять шланг с самого узла и сливать хладагент с него.
Более наглядная инструкция по сливу представлена на видео (материал снят и обнародован пользователем Артем Ли).
Промывка
Когда вы слили хладагент, систему следует промыть. Промывка своими руками выполняется так:
Нужно закрутить кран печки и сливное отверстие на радиаторе.
В расширительный бачок заливается около 6-7 литров дистиллированной воды, пока ее уровень не достигнет нижней метки на резервуаре
Обратите внимание — для промывки можно использовать только дистиллят, обычной водой из-под крана промывать систему нельзя.
Закрутите пробку расширительного бачка и заведите силовой агрегат.
После запуска ДВС объем вещества в резервуаре обычно быстро снижается. Это связано с удалением воздуха из охладительной системы помпой
Если кран отопителя был открыт, то воздушные пробки не должны образоваться.
Мотор поработает около пяти минут, после этого заглушите его.
Открутите пробку слива на радиаторе и слейте воду из системы. Если в ней есть осадок, а цвет коричневый, то повторите процедуру промывки. Она осуществляется до тех пор, пока сливаемая жидкость не будет прозрачной.
Смотрите подробное видео о промывке системы охлаждения (материал снят и опубликован каналом СТО Ковш).
Как залить антифриз:
- Закройте кран печки, закрутите сливную пробку. Если вы отсоединяли патрубок от радиатора, то подсоедините его обратно и надежно зафиксируйте.
- Через расширительный бачок залейте в систему охлаждающую жидкость. Заливка осуществляется до середины отметок между MIN и МАХ.
- Закрутите пробку расширительного бачка и заведите двигатель. Подождите, пока не включится вентилятор радиатора охлаждения. Можно совершить контрольную поездку не более 5 километров.
- Заглушите мотор и проверьте еще раз уровень антифриза в бачке. Если он упал, то добавьте ОЖ.
Причины некачественной работы печки
Исходя из сложного устройства печки, становится понятно, что она может работать неправильно по многим причинам. Неисправность хотя бы одного из узлов и составных частей отопительной системы может привести к сбою работы печки. При этом неисправность может возникнуть по вине водителя, а может быть следствием устаревания или некорректной работы других систем автомобиля.
Проблемы с печкой могут проявляться в следующем виде:
- Плохое нагревание салона.
- Холодный воздух из печки.
- Переменная температура воздуха, подаваемого из печки.
- Слабый поток горячего воздуха из печки.
- Печка в автомобиле не включается.
Знание устройства самой печки и возможных поломок даст возможность избежать крупных расходов при ремонте автомобиля. Рассмотрим ниже наиболее распространенные причины некачественной работы печки.
Не работает вентилятор
Неисправность вентилятора часто может являться одной из проблем с обогревом салона. Причиной такой поломки обычно является повреждение подшипников или графитовых щеток, что может потребовать полной замены вентилятора. Также вентилятор может быть неисправен за счет перегорания его предохранителя или реле в электрической цепи питания, что тоже является поводом для обращения в автосервис.
Если при работе вентилятор издает свист, а скорость его вращения меняется от минимальной к максимальной и наоборот, то причиной проблемы может являться выход из строя моторчика вентилятора. В таких условиях радиатор может оставаться горячим, но согреть салон до нужной степени не получится.
Недостаточный уровень охлаждающей жидкости
Неисправность печки может быть вызвана утечкой охлаждающей жидкости, в результате чего тепло перестает поступать в салонный радиатор в нужном объеме. Это в свою очередь приводит к уменьшению объема антифриза в расширительном баке. Для устранения проблемы необходимо найти место утечки, добавить антифриз в расширительный бак, иногда может потребоваться замена крана подачи охлаждающей жидкости.
Неисправна помпа двигателя
Работа помпы используется для циркуляции антифриза и для обеспечения исправного функционирования печки. При поломке такого насоса может произойти сбой во многих узлах двигателя, в том числе и в устройстве обогреве салона автомобиля.
Неисправность данной детали может быть вызвана изношенностью внутренней части крыльчатки, обрывом ремня коленвала и даже заклиниванием самой помпы. Такого рода проблемы лучше устранять путем полной замены помпы, а во избежание подобных поломок рекомендуется регулярно проверять шланг, ведущий к насосу, а также прислушиваться к звукам под капотом.
Пробита прокладка головки двигателя
Прокладка головки предназначена для соединения блока и самой головки мотора автомобиля, обеспечения герметичности и недопущения смешивания охлаждающей жидкости и топлива между собой. Прогорание прокладки в рубашке охлаждения двигателя приводит к возникновению выхлопных газов, которые могут попасть в систему охлаждения через патрубки. При этом происходит завоздушивание теплообменника и снижение КПД в его работе, охлаждающая жидкость может нагреваться, а в работе печки наблюдаются сбои.
Неисправность термостата
Термостат является устройством, непосредственно участвующим в циркуляции охлаждающей жидкости, поэтому его неисправность будет влиять на температуру воздуха в салоне. Так как термостат может находиться в открытом и закрытом положении, его поломка характеризуется заклиниванием в одном из этих положений.
В случае заклинивания термостата в закрытом положении при езде в городском трафике возможно повышение температуры антифриза, а в дальнейшем – и перегрев двигателя. При заклинивании в открытом положении температура в салоне будет низкой при езде на высоких передачах, в то время как при низкой скорости температура останется нормальной.
Засор радиатора отопителя
Радиатор печки может засориться по разным причинам, причем это может произойти как снаружи, так и изнутри. Например, снаружи радиатор может засориться за счет попадания пыли, листьев, насекомых через защитный кожух. Изнутри засорение происходит из-за грязи и отложений, которые могут появиться в системе охлаждения двигателя.
Засорение салонного фильтра
Сильно загрязненный салонный фильтр – одна из частых причин сбоев в работе печки. Многие водители относятся к нему довольно пренебрежительно, и долго не заменяют и не выбрасывают старый.
При этом следует помнить, что забитый фильтр является препятствием для поступления нагретого воздуха в салон. Кроме того, при засорении фильтра в салон может проникать пыль, споры плесени, которые скапливаются в самом фильтре.
Дополнительный отопительный радиатор в автомобиле Daewoo Nexia
Недостаток некоторых моделей данной марки в недостаточном прогреве салона при низких температурах окружающей среды можно устранить установкой дополнительного радиатора печки.

Необходимость дополнительной печки
Вторая печка в машине решает задачу создания оптимальной температуры в салоне машины.
Существуют и другие способы разрешения это проблемы:
- Установка дополнительной водяной помпы.
- Корректировка характеристик термостата.
Однако дополнительное отопительное оборудование в виде второго радиатора проще иных способов позволяет организовать поддержание необходимого теплового режима в салоне автомобиля. Вследствие этого владельцы Daewoo Nexia, как правило, прибегают именно к данному варианту.
Даже самая низкая температура за бортом не будет оказывать влияния на качество обогрева салона, не создавая дискомфорта для водителя и пассажиров.
Порядок установки второго отопителя
Для оборудования Daewoo Nexia дополнительным отопительным радиатором потребуются следующие материалы:
- радиатор от печки отечественного автомобиля ВАЗ-2106 либо ВАЗ-2109;
- два отрезка резинового шланга по одному метру каждый;
- два соединительных тройника;
- кран шарового типа;
- два крановых штуцера;
- десяток металлических прочных хомутов;
- материал изолон (лучше, если он будет фольгированного типа);
- уплотнитель дверей от ВАЗ-2109.
Самостоятельная установка дополнительного радиатора осуществляется на эстакаде либо смотровой яме.
Процедура установки предусматривает выполнение следующих этапов работ:
- Отключение минусового контакта с клеммы АКБ для обеспечения безопасности проведения ремонта. Разъединение контакта АКБ является обязательным правилом соблюдения мер безопасности.
- Слив антифриза либо другой используемой ОЖ с СЖО двигателя в чистую, заранее приготовленную тару. Жидкость можно будет использовать повторно при её удовлетворительном состоянии.
- Демонтаж защиты, под которой размещён кожух отопительного комплекса. Для этого необходимо вывернуть болты, которые крепят кожух.
- Удаление заслонки, обеспечивающей рециркуляцию в районе дворника с правой стороны, под жабо. Установка дополнительного радиатора вынуждает удалить заслонку рециркуляции и отказаться от использования салонного фильтра
- Установка дополнительного отопительного радиатора к основному.
- Прокладывание изолоном пространства под радиаторами. Второй радиатор размещается несколько выше первого. Под его нижнюю часть помещается резиновый дверной уплотнитель. Дополнительный радиатор печки размещается рядом с основным
- Закрытие отверстия, которое используется для рециркуляции. Отверстие закрывается изолоном
- Прокладывание изолоновым слоем пространства между печками, обеспечивая тем самым необходимую теплопроводность. Материал используется для увеличения теплопроводности радиаторов печки
- Подключение ко второму радиатору приготовленных шлангов.
- Их фиксация с помощью хомутов. Шланги на тройниках закрепляются металлическими хомутами
- Подключение этих шлангов, с использованием тройников, к основным магистралям заводского радиатора отопителя. Место врезки может быть любым. Тройники монтируются в разрез основных шлангов
- Монтаж шарового крана в доступном месте, чтобы в летний период можно было легко перекрыть подачу ОЖ на второй радиатор отопителя. Врезка крана осуществляется в любом месте шланга прямой подачи ОЖ ко второму радиатору
- Установка жабо, его крепёж к кузову. Жабо являтся защитно-декоративным кожухом, который закрывает отопитель и другие детали подкапотного пространства автомобиля
Подобная доработка действительно обеспечит тёплый салон автомобиля даже при значительных морозах.
Видео: самостоятельная установка дополнительной печки на Daewoo Nexia
https://youtube.com/watch?v=Yo7dUcGXULk
Произвести самостоятельную замену отопительного радиатора в автомобиле «Дэу Нексия» вполне по силам любому автолюбителю. Для этого рекомендуется лишь придерживаться разработанной инструкции, а также знать устройство автомобиля и конструкцию его отдельных узлов, в частности, СЖО.
Источник


















































