Схемы электрооборудования Дэу Матиз:
Приборная панель, где отображаются основные параметры авто.
При неисправном аккумуляторе потребители энергии могут работать не на полную силу, а если АКБ полностью разряжена, то и запустить двигатель не получится.
По сегодняшний уже вышло третье поколение Daewoo Matiz M Такие неисправности обычно связаны с некорректной работой АКБ или генератора, реже — дополнительных устройств. Система звуковоспроизведения:
Электросхема Daewoo Matiz 0,8 литра для включения противотуманных фар и противотуманок в заднем фонаре: Такие неисправности обычно связаны с некорректной работой АКБ или генератора, реже — дополнительных устройств. М и второго М?
Электросхема соединений комбинации приборов Daewoo Matiz 1,0 литра: Из этого устройства демонтируются предохранительные элементы, после снятия каждого производится измерение утечки. Включение регулятора направления пучков света фар машины 0,8 :
Включение регулятора направления пучков света фар машины 0,8 : Поэтому сначала нужно решить проблему с перенапряжением, а потом менять подгоревшие контакты. Электрическая схема включения фар Дэу Матиз 0,8 л:
Как правило, диагностика такой неисправности осуществляется по отрицательному выводу с АКБ, при этом плюсовая клемма должна остаться подключенной: Тестер мультиметр нужно подключить одним щупом к отрицательной клемме батареи, а второй щуп соединяется с демонтированным клеммником. Замок багажника, механизм предупреждающего зуммера. Обогрев стекла двери задка авто и схема прикуривателя и часов: При неисправном аккумуляторе потребители энергии могут работать не на полную силу, а если АКБ полностью разряжена, то и запустить двигатель не получится.
В том случае, если речь идет об автомобиле с карбюраторным двигателем, оснащенным базовым оборудованием и без противоугонной системы, то ток утечки будет небольшим. Антиблокировочная система. Окисляются контакты обычно в результате длительной эксплуатации или при работе оборудования в условиях влажности. Разборка схемы на части даёт свои преимущества. М Хетчбек имеет 5 мест.
Порядок подключения высоковольтных проводов(для тех у кого трамблер 0,8 л) Daewoo Matiz.
https://youtube.com/watch?v=W81yWnMbNSk
Руководство по ремонту и эксплуатации Дэу Матиз — Daewoo Matiz
| РАЗМЕРЫ И МАССА | |
|---|---|
| Длина | 3 497 мм |
| Ширина | 1 495 мм |
| Высота | 1 485 мм |
| Колесная база | 2 340 мм |
| Колея передних колес | 1 315 мм |
| Колея задних колес | 1 280 мм |
| Дорожный просвет | 150 мм |
| Мин. радиус поворота | 4,55 м |
| Масса снаряженного автомобиля | 770 кг |
| Полная масса | 1 210 кг |
| Объем багажника | 155/480 л |
| ГАБАРИТЫ САЛОНА | |
| Длина | 1 800 мм |
| Ширина | 1 265 мм |
| Высота | 1 220 мм |
| ДВИГАТЕЛЬ И ТРАНСМИССИЯ | |
| Тип двигателя | бензиновый |
| Топливная система | многоточечный впрыск топлива |
| Цилиндры | 4-цилиндровый, рядный |
| Диаметр цилиндра | 68,5 мм |
| Ход поршня | 72 мм |
| Степень сжатия | 9,3:1 |
| Максимальный крутящий момент | 87,3 Нм (4 200 об./мин.) |
| Объем двигателя | 995 куб. см |
| Максимальная мощность | 63 л.с. (5 400 об./мин.) |
| Коробка передач | механическая, 5-ступенчатая |
| Привод | передний |
| Тип сцепления | сухое, однодисковое |
| РАБОЧИЕ ХАРАКТЕРИСТИКИ И РАСХОД ТОПЛИВА | |
| Максимальная скорость | 152 км/ч |
| Время разгона до 100 км/ч | 12 сек |
| Объем бензобака | 35 л |
| Бензин | АИ 92 |
| Базовый расход топлива на 100 км | 7,3 л (город), 6,3 (трасса) |
| ТОРМОЗА | |
| Передние | дисковые |
| задние | барабанные |
| ПОДВЕСКА | |
| Тип рулевого управления | реечное |
| Шины | 145/70 R13, 155/65 R13 |
| Размер диска | 4,5Jx13 |
В российские салоны начали поступать микролитражки «Daewoo Matiz» узбекской сборки. Эта модель пришла на смену крошечному «Tico». Вскоре, видимо, она унаследует от него и титул самой доступной иномарки на российском рынке. ОТ ПРЕДШЕСТВЕННИКА «Matiz» отличается разительно. Это автомобиль классом выше. Он больше, комфортнее и мощнее. Экспрессивный. слишком неординарный для корейской машины дизайн объясняется тем, что автомобиль разрабатывался в Италии студией «ItalDe-sign». Изначально модель была прототипом «Фиата», но после проект был перекуплен «Daewoo». Не потому ли в самой Италии «Matiz» пользуется бешеной популярностью.
Подобно «Tico». машина снабжается 3-цилиндровым бензиновым мотором. На этом сходство заканчивается. Ведь двигатель «Matiz» вполне современен и располагает впрыском топлива вместо устаревшего карбюратора. При объеме 800 куб. см. он развивает 52 силы. Базовая комплектация «Matiz» предельно проста. Более дорогая «SE» сможет уже похвастаться АБС в тормозах, усилителем руля, кондиционером и магнитолой.
Возможно, когда сборочный конвейер на заводе в Асаке, Узбекистан, заработает на полную мощь. «Matiz» станет самой доступной иномаркой в России. Предположительно, цены на модель будут от $ 5.500 и выше.
Источник
Немного истории Daewoo Matiz
Производится данная модель автомашины с 1998 года. По сегодняшний 2014 уже вышло третье поколение Daewoo Matiz (M300). Матиз первого поколения (М100?М150) и второго (М200?М250) Хетчбек имеет 5 мест. Все модели оборудованы механической коробкой переключения передач, а двигатель потребителю идет на выбор: объёмом 0,8 литров или 1. После небольшого рестайлинга автомобиля в 2012 году (вышла модель М200) в Китае его именовали как Chevrolet Лечи. Также там машина ещё раз подделась небольшим модификациям и стала называться «Baojun Lechi» с двигателями — 1,0 л (69 л.с.) и 1,2 л (86 л.с.).
Видео про краш тест Daewoo Matiz 1,2 и 3-его поколения, соответственно — 2000, 2005 и 2009 года:
Возможные неисправности проводки
Какие неисправности могут произойти в работе электросхемы:
- Обрыв проводки. Такая проблема может привести к утечке тока, подробнее о ее диагностике мы уже рассказали. Для предотвращения обрыва проводки при укладке новых проводов их нужно дополнительно изолировать.
- Короткое замыкание. Одна из менее распространенных проблем, диагностируется с помощью того же тестера.
- Перепады напряжения — оно может быть как низким, так и высоким. Такие неисправности обычно связаны с некорректной работой АКБ или генератора, реже — дополнительных устройств.
- Окисление контактов или их подгорание. Окисляются контакты обычно в результате длительной эксплуатации или при работе оборудования в условиях влажности. Окисление может произойти ан соединительных штекерах — такая проблема решается путем их зачистки с помощью наждачки или железной щетки. Если речь идет о подгорании, то оно, скорей всего, вызвано скачками напряжения в сети. Поэтому сначала нужно решить проблему с перенапряжением, а потом менять подгоревшие контакты.
Загрузка …
Схемы электрооборудования Дэу Матиз:
1. Нумерация контактов в электрических разъёмах:
2. Схема пуска двигателя Daewoo Matiz 1,0 л и зарядка АКБ:
3. Электросхема пуска двигателя и соединений генератора (двигатель 0,8 л):
4. Система управления двигателем 1.0 л:
8. Электросхемы системы управления двигателем Daewoo Matiz 0.8 л:
11. Схема электрооборудования Дэу Матиз: лампы света заднего хода, сигналы торможения, габаритный свет и фонари освещения номерного знака:
12. Соединения блока реле и предохранителей, расположенного под капотом автомобиля (двигатель 1.0 л):
16. Соединения блока реле и предохранителей, расположенного в салоне авто (двигатель 1.0 л):
18. Схема соединений реле и предохранителей (двигатель 0.8 л):
19. Электросхема соединений комбинации приборов Daewoo Matiz 1,0 литра:
22. Соединения комбинации приборов авто с двигателем 0,8 литра:
24. Включение подсветки панели и комбинации приборов (0,8 л):
25. Включение света фар и регулятора направления пучков света фар (1,0):
26. Электрическая схема включения фар Дэу Матиз 0,8 л:
27. Включение регулятора направления пучков света фар машины (0,8):
28. Схема включения противотуманных фар и ламп противотуманного света в заднем фонаре (1,0):
29. Электросхема Daewoo Matiz 0,8 литра для включения противотуманных фар и противотуманок в заднем фонаре:
30. Указатели поворота и аварийной сигнализации, электросхема:
31. Схема работы лампочек освещения салона и багажника, а также включение электростеклоподъемников передних дверей:
32. Электрическая схема очистителей и омывателей ветрового и заднего стекла Дэу Матиз:
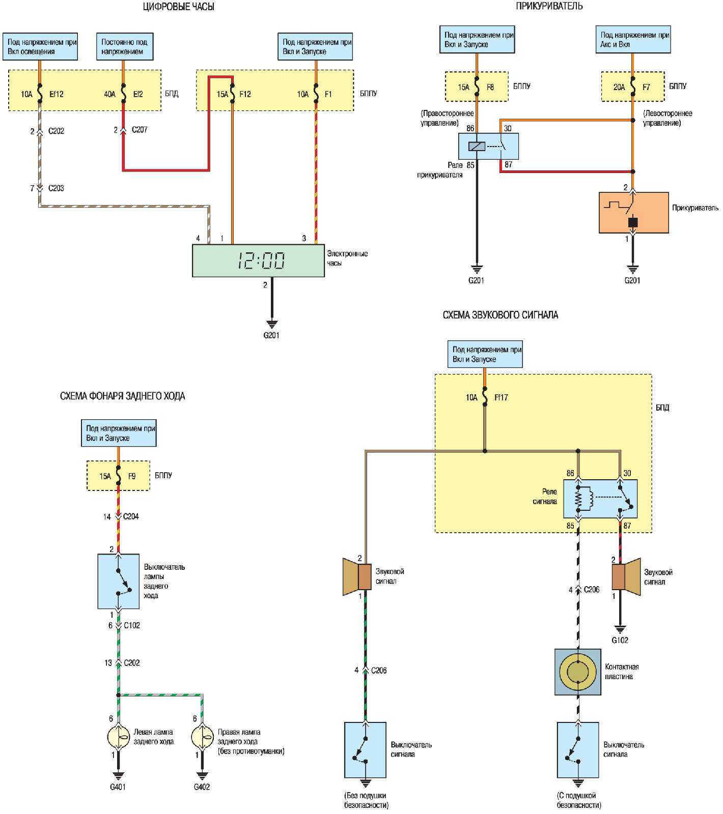
33. Обогрев стекла двери задка авто и схема прикуривателя и часов:
34. Система звуковоспроизведения:
35. Кондиционер автомобиля Daewoo Matiz 1,0 и вентилятор:
36. Электросхема включения кондиционера и вентилятора Дэу Матиз 0,8 литра:
Немного истории Daewoo Matiz
Производится данная модель автомашины с 1998 года. По сегодняшний 2014 уже вышло третье поколение Daewoo Matiz (M300). Матиз первого поколения (М100?М150) и второго (М200?М250) Хетчбек имеет 5 мест. Все модели оборудованы механической коробкой переключения передач, а двигатель потребителю идет на выбор: объёмом 0,8 литров или 1. После небольшого рестайлинга автомобиля в 2012 году (вышла модель М200) в Китае его именовали как Chevrolet Лечи. Также там машина ещё раз подделась небольшим модификациям и стала называться «Baojun Lechi» с двигателями — 1,0 л (69 л.с.) и 1,2 л (86 л.с.).
Видео про краш тест Daewoo Matiz 1,2 и 3-его поколения, соответственно — 2000, 2005 и 2009 года:
https://youtube.com/watch?v=Zehk9bnc6I8
Схемы электрооборудования Дэу Матиз:
1. Нумерация контактов в электрических разъёмах:
2. Схема пуска двигателя Daewoo Matiz 1,0 л и зарядка АКБ:
3. Электросхема пуска двигателя и соединений генератора (двигатель 0,8 л):
4. Система управления двигателем 1.0 л:
8. Электросхемы системы управления двигателем Daewoo Matiz 0.8 л:
11. Схема электрооборудования Дэу Матиз: лампы света заднего хода, сигналы торможения, габаритный свет и фонари освещения номерного знака:
12. Соединения блока реле и предохранителей, расположенного под капотом автомобиля (двигатель 1.0 л):
16. Соединения блока реле и предохранителей, расположенного в салоне авто (двигатель 1.0 л):
18. Схема соединений реле и предохранителей (двигатель 0.8 л):
19. Электросхема соединений комбинации приборов Daewoo Matiz 1,0 литра:
22. Соединения комбинации приборов авто с двигателем 0,8 литра:
24. Включение подсветки панели и комбинации приборов (0,8 л):
25. Включение света фар и регулятора направления пучков света фар (1,0):
26. Электрическая схема включения фар Дэу Матиз 0,8 л:
27. Включение регулятора направления пучков света фар машины (0,8):
28. Схема включения противотуманных фар и ламп противотуманного света в заднем фонаре (1,0):
29. Электросхема Daewoo Matiz 0,8 литра для включения противотуманных фар и противотуманок в заднем фонаре:
30. Указатели поворота и аварийной сигнализации, электросхема:
31. Схема работы лампочек освещения салона и багажника, а также включение электростеклоподъемников передних дверей:
32. Электрическая схема очистителей и омывателей ветрового и заднего стекла Дэу Матиз:
33. Обогрев стекла двери задка авто и схема прикуривателя и часов:
34. Система звуковоспроизведения:
35. Кондиционер автомобиля Daewoo Matiz 1,0 и вентилятор:
36. Электросхема включения кондиционера и вентилятора Дэу Матиз 0,8 литра:



























































